РМ Саранск

 

89272755342     Константин

 

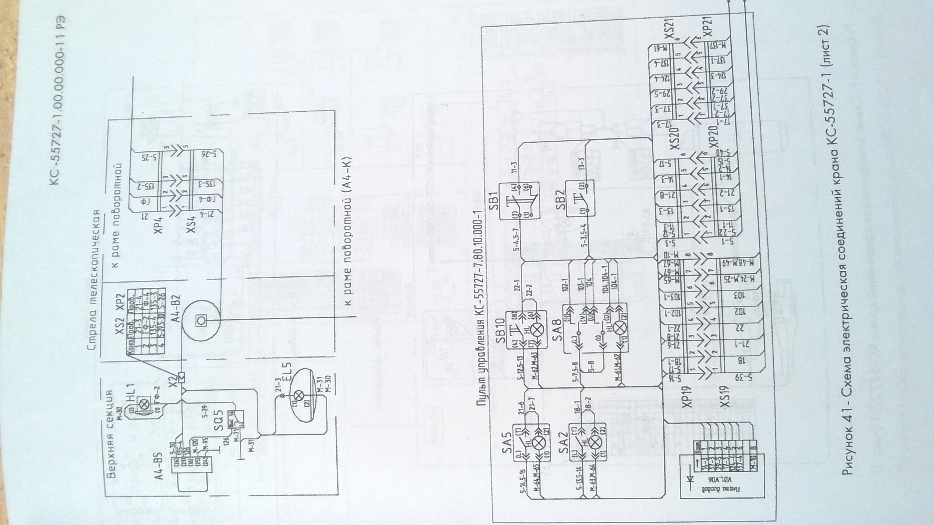
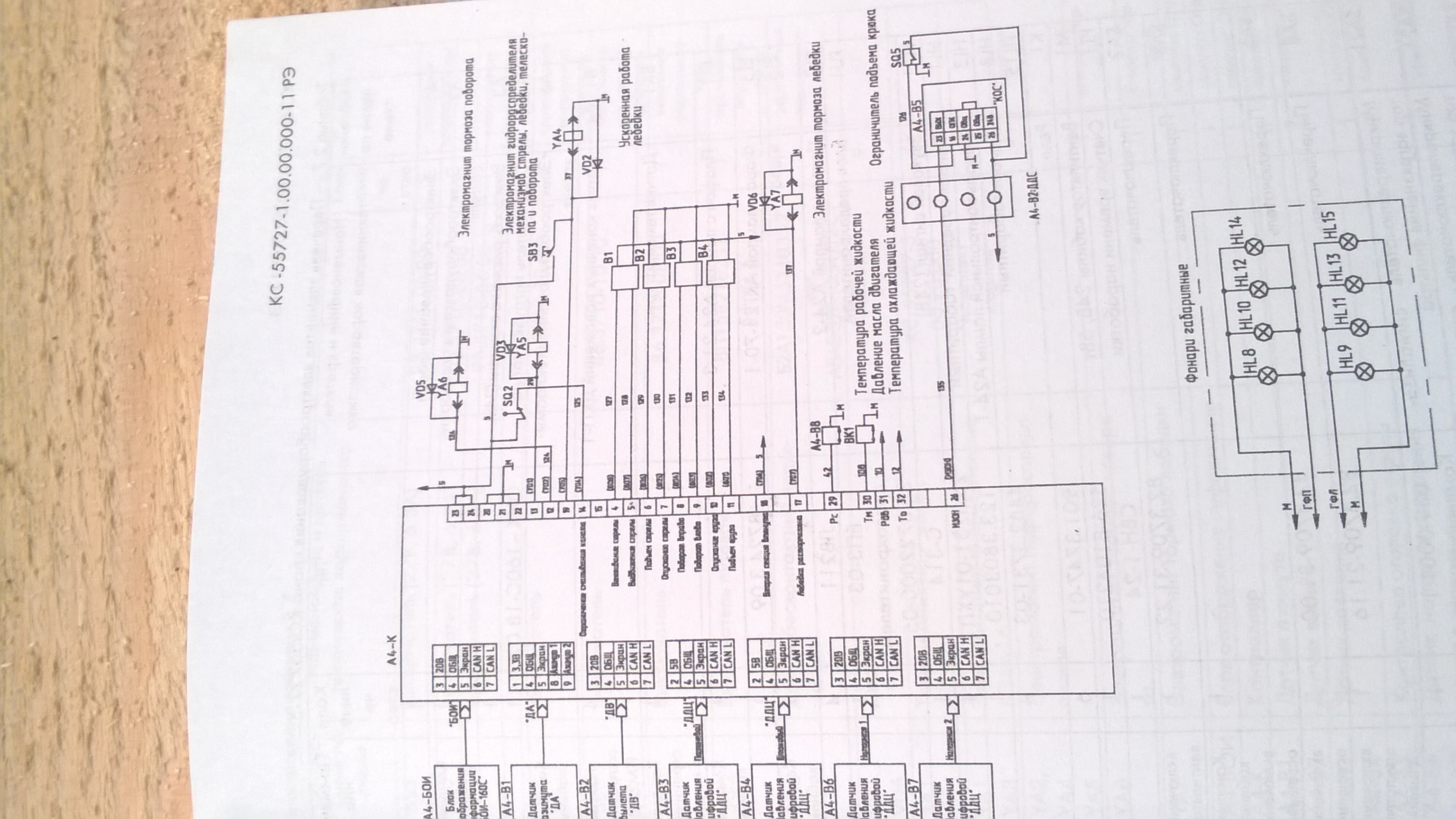
Главная электросхема машека кс55727

машека кс55727

  • спец предложение
  • Услуги
  • Фото
  • Контакты
  • коды ошибок
  • Библиотека
    • электросхемма
  • спец предложение
  • Услуги
  • Фото
  • Контакты
  • коды ошибок
  • Библиотека
    • электросхемма
     
smmscore.comSetup.ru: Создай и раскрути свой сайт бесплатно

тел: 8 927 275 5342   Константин

 

rp.kran@ya.ru 

© pro-kran-saransk.ru

Ремонт приборов безопасности автокранов, автовышек. г.Саранск 

Ремонт автокранов Саранск. Ремонт крана. Ремонт автовышки, Приборы безопасности крана